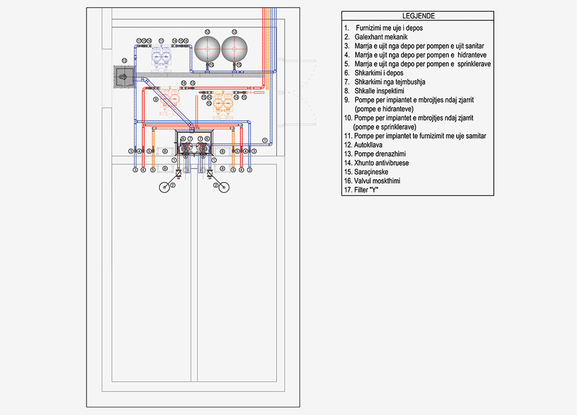
Ambjenti teknik është një nga ambientet më të rëndësishme të godinës dhe si pasojë i është kushtuar një rëndësi e veçantë për ndërtimin e tij. Ambienti teknik është i ndërtuar nga grupi i furnizimit me ujë, depot e ujit, pompa e impiantit te ujit sanitar, autoklava, pompat e impiantit te mbrojtjes ndaj zjarrit.


Kontakt
A Pasho Hysa Nr 26 0714 AL 1004 Tiranë
C +355684049444 E info@kontakt.al
W kontakt.al
.